+86-635-8509787                        +86-13280450757                            sales@xrbearing.com   

PRODUCT

Contact Us

 +86-635-8509787
  +86-13280450757
 sales@xrbearing.com
 Yandian Industrial Zone, Liaocheng City, ShanDong Province. China 
 Skype: brandbearings

loading

Share to:
sharethis sharing button

608-2RS ceramic bearings

  • 608-2RS轴承

  • 608-2RS ceramic bearing price

keywords:
608-2Z bearing,608-2RS1 bearing,608 ceramic bearing

                                High precision 

608-2RS Ceramic Bearing Si3N4 Sealed Stainless Steel 8x22x7 Miniature Ball Bearings

High precision full ceramic bearing 608-2RS full ceramic bearing 
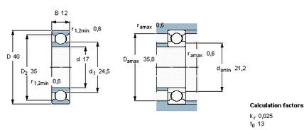
8
×22×7mm bearing
608-2RS ceramic bearing type single row deep groove ball bearing
ball bearing inner diameter 8mm
ball bearing outer diameter 22mm
ball bearing width diameter 7mm
ball bearing weight 0.012kg
608-2RS ceramic bearing are available from many design,variants,series and size,lubrication and sealed
standard bearings for high quality
explorer bearing for high load carrying capacity


ceramic material: Inner/outer races and balls are made of either Silicon Nitride (Si3N4) or Zirconium Oxide (ZrO2).
Design:single row deep groove ball bearing
Metarial:High quality chrome steel 
Lubrication:Oil or grease
sealed:Rubber sealed or press steel shielded
dynamic load rating: 3.45kN  
static load rating:1.37kN
Fatigue load limit:0.057kN
Reference speed:75000r/min 
limiting speed:48000mm
608-2RS ceramic bearing are widely used in automotive and industry area: ►Cars & Motorcycle repairs
►Transmission and Gearboxes 
►Agricultural and Automotive
►Electric motors / Industry
►Pumps, Garden Machinery
►Great value quality parts dispatched the same day

































608-2RS ceramic bearing is deep groove ball bearing and the most commonly type and widely used in many application, it contains of  inner ring, outer ring,cage and steel bearing,deep groove ball bearing can carry radial and axial loads in both directions,these bearings are particularly versatile and are simple in design,non separable,suitable for high and very high speed,low cost maintenance.

This 608-2RS 8x22x7-millimeter sealed single-row miniature ceramic ball bearing supports typical radial loads. The bearing is made of stainless steel for resistance to corrosion and high temperatures, and it has rubber seals on both sides of the bearing to keep lubricant in and contaminants out. This single-row sealed ceramic ball bearing is suitable for use in applications that involve combined radial and axial loads and a need for high running accuracy at high rotational speeds. Such applications include clutches, drives, gearboxes, compressors, pumps, turbines, and printing and textile machines, among others.



XRB can supply 608-2RS ceramic bearing, also if you have damand for FAG,NSK,NTN, TIMKEN,SNR, KOYO,NKE,NMB brand bearing,large quantity 608-2RS ceramic bearing Stock can meet your need with lowest price and fast delivery. any question about our products or technical service,

please E-mail: brandbearings@gmail.com or skype: brandbearings
Previous: 
Next: 
TKW Focuses On the Development and Manufacturing of General and Non-Standard Rolling bearings
 

Quick Links

Contact Us

 Yandian Industrial zone, Linqing City, Liaocheng,Shandong Province, China,
 +86-635-8509787 / +86-13280450757
 +86-13280450757  
 +86-13280450757
Copyright © 2008-2021 TKW BEARINGS  Technical support :  leadong