+86-635-8509787                        +86-13280450757                            sales@xrbearing.com   

PRODUCT

You are here: Home » Products » Deep Groove Ball Bearings » Single Row Deep Groove Ball Bearings » KOYO 6317 deep groove ball bearings

Contact Us

 +86-635-8509787
  +86-13280450757
 sales@xrbearing.com
 Yandian Industrial Zone, Liaocheng City, ShanDong Province. China 
 Skype: brandbearings

loading

Share to:
sharethis sharing button

KOYO 6317 deep groove ball bearings

  • KOYO 6317

  • KOYO 6317 bearing price

keywords:KOYO 6317 bearing,KOYO 6317ZZ deep groove ball bearing

    High precision KOYO deep groove ball bearing 6317 bearing
High precision KOYO deep groove ball bearing KOYO 6317 bearing,
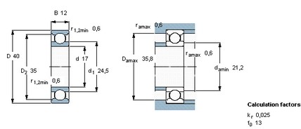
85
×180×41mm bearing
KOYO 6317 bearing type single row deep groove ball bearing 6317 bearing
ball bearing inner diameter 85mm
ball bearing outer diameter 180mm
ball bearing width diameter 41mm
ball bearing weight 4.28kg
KOYO 6317 bearing are available from many design,variants,series and size,lubrication and sealed
KOYO standard bearings for high quality
Deep groove ball bearing for high load carrying capacity
NTN bearing Energy Efficient bearings for energy efficiency
Design:single row deep groove ball bearing 6317
Metarial:High quality chrome steel 
Lubrication:Oil or grease
sealed:Rubber sealed or press steel shielded
dynamic load rating: 140kN  
static load rating:96.5kN
Fatigue load limit:3.55kN
Reference speed:8000r/min 
limiting speed:5000mm
KOYO 6317 bearing are widely used in automotive and industry area: ►Cars & Motorcycle repairs
►Transmission and Gearboxes 
►Agricultural and Automotive
►Electric motors / Industry
►Pumps, Garden Machinery
►Great value quality parts dispatched the same day































KOYO 6317 bearing is deep groove ball bearing and the most commonly type and widely used in many application, it contains of  inner ring, outer ring,cage and steel bearing,deep groove ball bearing can carry radial and axial loads in both directions,KOYO 6317 deep groove ball bearings are particularly versatile and are simple in design,non separable,suitable for high and very high speed,low cost maintenance.



XRB can supply KOYO 6317 bearing, also if you have damand for NKE,SKF,FAG,TIMKEN,NTN,NSK,NMB brand bearing,large quantity KOYO 6317 bearing Stock can meet your need with lowest price and fast delivery.
E-mail: brandbearings@gmail.com,  Skype:brandbearings
Previous: 
Next: 
TKW Focuses On the Development and Manufacturing of General and Non-Standard Rolling bearings
 

Quick Links

Contact Us

 Yandian Industrial zone, Linqing City, Liaocheng,Shandong Province, China,
 +86-635-8509787 / +86-13280450757
 +86-13280450757  
 +86-13280450757
Copyright © 2008-2021 TKW BEARINGS  Technical support :  leadong