NSK SD3152S
Bearing housing NSK SD3152S price
Keywords:NSK SD3152S plummer block,NSK SD3152S plummer block+23152CAKE4 Bearing

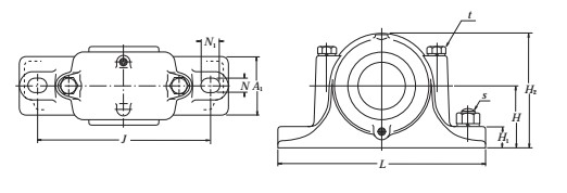
NSK SD3152S plummer block are made of Grey cast iron,it working with 23152CAKE4 Bearing and Adapter sleeve H3152, NSK SD3152S plummer block is easy installation,NSK SD3152S plummer block is available mainly Have the plummer block housing design working with spherical roller bearings,NSK plummer block are robust,ready-to-mount unit that are assembled,lubricated and sealed at the factory for maximum service life,with their simple and safe installation,easy alignment and reliable locking technology,they are an excellent alternative to sleeve-mounted bearing in housings,the shaft of NSK SD3152S plummer block is 240mm, the height is 515mm, length is 880mm.the weight of NSK SD3152S plummer block is 240kg.
NSK SD3152S plummer block enable the bearings to achieve maximum bearing service life with less need for maintenance .As one of the biggest China bearing manufacturer can supply the best solution for NSK SD3152S plummer block customers according to their specific applications.NSK SD3152S plummer block are designed for exceptional performance in a wide range of applications,the pillow block are manufactured in a wide variety of sizes out of heavy-duty cast iron.
Applications of NSK plummer block
General industry: Conveyors,Roller tables,Fans and blowers
Processing industry: Crushers,hammer mills,ball and rod mills,decanters,kilns
Paper making equipment:dryer cans,jack ladders,chip conveyers,pumps,pulpers,breast rolls,press rolls
As the experienced China bearing manufacturer & factory & exporter & supplier ,it can supply Original NSK SD3152S plummer block, Our large quantity NSK SD3152S plummer block Stock can meet your need for quality wth lowest price and fast delivery.We accepted DHL, FEDEX,TNT express for small order and samples order,also the transportation By AIR or By Sea,by Train are all avaiable.we are sure we can ship NSK SD3152S plummer block to your office at the first time.More technical details,please contact with :
E-mail: brandbearings@gmail.com, Skype:brandbearings