NSK SDAF22617
Bearing housing NSK SDAF22617 price
Keywords:NSK SDAF22617 pillow block housing unit,NSK SDAF617 plummer block housing unit+22317K Bearing

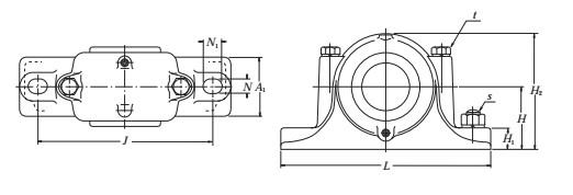
NSK SDAF22617 pillow block housing unit are consist of NSK SDAF617 Pillow block housing and bearing 22317K ,the bearing housing made of Cast iron , NSK SDAF22617 pillow block housing unit is easy installation and NSK plummer block housing is working with spherical roller bearings,NSK pillow block housing unit are robust,ready-to-mount unit that are assembled,lubricated and sealed at the factory for maximum service life,with their simple and safe installation,easy alignment and reliable locking technology,they are an excellent alternative to sleeve-mounted bearing in housings, the shaft of NSK SDAF22617 pillow block housing unit is 2-15/16in ,the height is 8-15/16in,length is 6-3/4in.the weight of NSK SDAF22617 pillow block housing unit is 70lbs.
NSK SDAF22617 pillow block housing unit enable the bearings to achieve maximum bearing service life with less need for maintenance .As one of the biggest China bearing manufacturer can supply the best solution for NSK SDAF22617 pillow block housing unit customers according to their specific applications. NSK SDAF22617 pillow block housing unit are designed for exceptional performance in a wide range of applications,the pillow block are manufactured in a wide variety of sizes out of heavy-duty cast iron.
Applications of NSK plummer block housing unit
General industry: Conveyors,Roller tables,Fans and blowers
Processing industry: Crushers,hammer mills,ball and rod mills,decanters,kilns
Paper making equipment:dryer cans,jack ladders,chip conveyers,pumps,pulpers,breast rolls,press rolls
As the experienced China bearing manufacturer & factory & exporter & supplier,it can supply Original NSK SDAF22617 pillow block housing unit ,Our large quantity NSK SDAF22617 pillow block housing unit Stock can meet your need for quality wth lowest price and fast delivery.We accepted DHL, FEDEX,TNT express for small order and samples order,also the transportation By AIR or By Sea,by Train are all avaiable.we are sure we can ship NSK SDAF22617 pillow block housing unit to your office at the first time.More technical details,please contact with :
E-mail: brandbearings@gmail.com, Skype:brandbearings