NSK SG515
Bearing housing NSK SG515 price
Keywords:NSK SG515 Dustproof plummer blocks,NSK SG515 Dustproof plummer blocks+22215CDKE4 Bearing

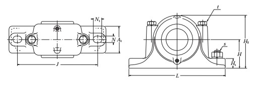
NSK SG515 Dustproof plummer blocks are made of Grey cast iron,it working with 22215CAKE4 Bearing and Adapter sleeve H315,NSK SG515 Dustproof plummer blocks is easy installation,NSK SG515 Dustproof plummer blocks is available mainly Have the plummer block housing design working with spherical roller bearings,NSK plummer block are robust,ready-to-mount unit that are assembled,lubricated and sealed at the factory for maximum service life,with their simple and safe installation,easy alignment and reliable locking technology,they are an excellent alternative to sleeve-mounted bearing in housings, the shaft of NSK SG515 Dustproof plummer blocks is 65mm, the height is 290mm, length is 168mm.the weight of NSK SG515 Dustproof plummer blocks is 11kg.
NSK SG515 Dustproof plummer blocks enable the bearings to achieve maximum bearing service life with less need for maintenance .As one of the biggest China bearing manufacturer can supply the best solution for NSK SG515 Dustproof plummer blocks customers according to their specific applications.NSK SG515 Dustproof plummer blocks are designed for exceptional performance in a wide range of applications,the pillow block are manufactured in a wide variety of sizes out of heavy-duty cast iron.
Applications of NSK plummer block
General industry: Conveyors,Roller tables,Fans and blowers
Processing industry: Crushers,hammer mills,ball and rod mills,decanters,kilns
Paper making equipment:dryer cans,jack ladders,chip conveyers,pumps,pulpers,breast rolls,press rolls
As the experienced China bearing manufacturer & factory & exporter & supplier ,it can supply Original NSK SG515 Dustproof plummer blocks, Our large quantity NSK SG515 Dustproof plummer blocks Stock can meet your need for quality wth lowest price and fast delivery.We accepted DHL, FEDEX,TNT express for small order and samples order,also the transportation By AIR or By Sea,by Train are all avaiable.we are sure we can ship NSK SG515 Dustproof plummer blocks to your office at the first time.More technical details,please contact with :
E-mail: brandbearings@gmail.com, Skype:brandbearings