NSK SG520
Bearing housing NSK SG520 price
Keywords:NSK SG520 Dustproof plummer blocks,NSK SG520 Dustproof plummer blocks+22220CDKE4 Bearing

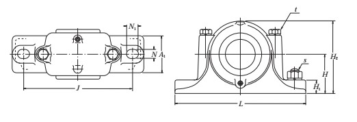
NSK SG520 Dustproof plummer blocks(end cover type) are made of Grey cast iron,it working with 22220CAKE4 Bearing and Adapter sleeve H320,NSK SG520 Dustproof plummer blocks is easy installation,NSK SG520 Dustproof plummer blocks is available mainly Have the plummer block housing design working with spherical roller bearings,NSK plummer block are robust,ready-to-mount unit that are assembled,lubricated and sealed at the factory for maximum service life,with their simple and safe installation,easy alignment and reliable locking technology,they are an excellent alternative to sleeve-mounted bearing in housings, the shaft of NSK SG520 Dustproof plummer blocks is 90mm,the height is 410mm,length is 240mm.the weight of NSK SG520 Dustproof plummer blocks is 34kg.
NSK SG520 Dustproof plummer blocks enable the bearings to achieve maximum bearing service life with less need for maintenance .As one of the biggest China bearing manufacturer can supply the best solution for NSK SG520 Dustproof plummer blocks customers according to their specific applications.NSK SG520 Dustproof plummer blocks are designed for exceptional performance in a wide range of applications,the pillow block are manufactured in a wide variety of sizes out of heavy-duty cast iron.
Applications of NSK plummer blocks
General industry: Conveyors,Roller tables,Fans and blowers
Processing industry: Crushers,hammer mills,ball and rod mills,decanters,kilns
Paper making equipment:dryer cans,jack ladders,chip conveyers,pumps,pulpers,breast rolls,press rolls
As the experienced China bearing manufacturer & factory & exporter & supplier ,it can supply Original NSK SG520 Dustproof plummer blocks,Our large quantity NSK SG520 Dustproof plummer blocks Stock can meet your need for quality wth lowest price and fast delivery.We accepted DHL, FEDEX,TNT express for small order and samples order,also the transportation By AIR or By Sea,by Train are all avaiable.we are sure we can ship NSK SG520 Dustproof plummer blocks to your office at the first time.More technical details,please contact with :
E-mail: brandbearings@gmail.com, Skype:brandbearings