NSK SG538
Bearing housing NSK SG538 price
Keywords:NSK SG538 Dustproof plummer blocks,NSK SG538 Dustproof plummer blocks+22238CAKE4 Bearing

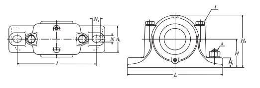
NSK SG538 Dustproof plummer blocks(end cover type) are made of Grey cast iron,it working with 22238CAKE4 Bearing and Adapter sleeve H338,NSK SG538 Dustproof plummer blocks is easy installation,NSK SG538 Dustproof plummer blocks is available mainly Have the plummer block housing design working with spherical roller bearings,NSK plummer block are robust,ready-to-mount unit that are assembled,lubricated and sealed at the factory for maximum service life,with their simple and safe installation,easy alignment and reliable locking technology,they are an excellent alternative to sleeve-mounted bearing in housings, the shaft of NSK SG538 Dustproof plummer blocks is 170mm,the height is 420mm,length is 730mm.the weight of NSK SG538 Dustproof plummer blocks is 175kg.
NSK SG538 Dustproof plummer blocks enable the bearings to achieve maximum bearing service life with less need for maintenance .As one of the biggest China bearing manufacturer can supply the best solution for NSK SG538 Dustproof plummer blocks customers according to their specific applications. NSK SG538 Dustproof plummer blocks are designed for exceptional performance in a wide range of applications,the pillow block are manufactured in a wide variety of sizes out of heavy-duty cast iron.
Applications of NSK plummer blocks
General industry: Conveyors,Roller tables,Fans and blowers
Processing industry: Crushers,hammer mills,ball and rod mills,decanters,kilns
Paper making equipment:dryer cans,jack ladders,chip conveyers,pumps,pulpers,breast rolls,press rolls
As the experienced China bearing manufacturer & factory & exporter & supplier,it can supply Original NSK SG538 Dustproof plummer blocks,Our large quantity NSK SG538 Dustproof plummer blocks Stock can meet your need for quality wth lowest price and fast delivery.We accepted DHL, FEDEX,TNT express for small order and samples order,also the transportation By AIR or By Sea,by Train are all avaiable.we are sure we can ship NSK SG538 Dustproof plummer blocks to your office at the first time.More technical details,please contact with :
E-mail: brandbearings@gmail.com, Skype:brandbearings