NSK SN214C
Bearing housing NSK SN214C price
Keywords:NSK SN214C plummer blocks( Stepped shaft type),NSK SN214C plummer blocks+22214CAKE4 Bearing

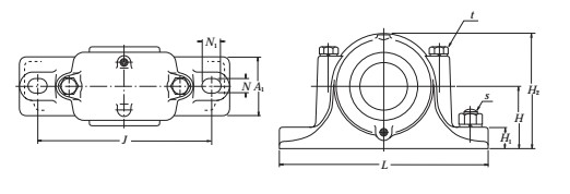
NSK SN214C plummer blocks(stepped shaft type) are made of Grey cast iron,it working with 22214CAKE4 Bearing and bearing 1214,bearing 2214, NSK SN214C plummer blocks is easy installation,NSK SN214C plummer blocks is available mainly Have the plummer block housing design working with spherical roller bearings,NSK plummer block are robust,ready-to-mount unit that are assembled,lubricated and sealed at the factory for maximum service life,with their simple and safe installation,easy alignment and reliable locking technology,they are an excellent alternative to sleeve-mounted bearing in housings, the shaft of NSK SN214C plummer blocks is 70mm,the height is 275mm,length is 155mm.the weight of NSK SN214C plummer blocks is 6.2kg.
NSK SN214C plummer blocks enable the bearings to achieve maximum bearing service life with less need for maintenance .As one of the biggest China bearing manufacturer can supply the best solution for NSK SN214C plummer blocks customers according to their specific applications. NSK SN214C plummer blocks are designed for exceptional performance in a wide range of applications,the pillow block are manufactured in a wide variety of sizes out of heavy-duty cast iron.
Applications of NSK plummer blocks
General industry: Conveyors,Roller tables,Fans and blowers
Processing industry: Crushers,hammer mills,ball and rod mills,decanters,kilns
Paper making equipment:dryer cans,jack ladders,chip conveyers,pumps,pulpers,breast rolls,press rolls
As the experienced China bearing manufacturer & factory & exporter & supplier,it can supply Original NSK SN214C plummer blocks,Our large quantity NSK SN214C plummer blocks Stock can meet your need for quality wth lowest price and fast delivery.We accepted DHL, FEDEX,TNT express for small order and samples order,also the transportation By AIR or By Sea,by Train are all avaiable.we are sure we can ship NSK SN214C plummer blocks to your office at the first time.More technical details,please contact with :
E-mail: brandbearings@gmail.com, Skype:brandbearings