Views: 2 Author: Site Editor Publish Time: 2024-09-28 Origin: Site

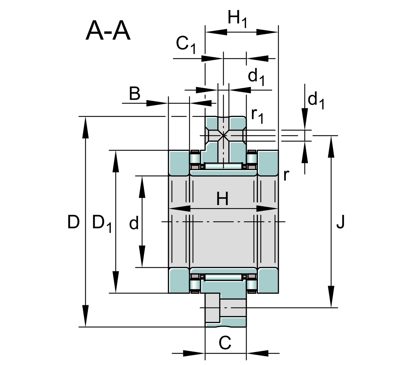
| d | 70 mm | Bore diameter |
| D | 160 mm | Outside diameter |
| H | 82 mm | Hight |
| Ca | 201,000 N | Basic dynamic load rating, axial |
| C0a | 630,000 N | Basic static load rating, axial |
| Cr | 56,000 N | Basic dynamic load rating, radial |
| C0r | 119,000 N | Basic static load rating, radial |
| Cua | 58,000 N | Fatigue load limit, axial |
| Cur | 16,100 N | Fatigue load limit, radial |
| nG Oil | 2,400 1/min | Limiting speed for oil lubrication |
| nG Grease | 800 1/min | Limiting speed for grease lubrication |
| MRL | 4.8 Nm | Bearing friction torque |
| ≈m | 4.87 kg | Weight |
Axial/radial roller bearings for screw drives are double direction, high precision axial cylindrical roller bearings with a radial bearing component. The inner ring, outer ring and cylindrical roller and cage assemblies are matched to each other such that the bearing is axially clearance-free after preloading by means of an TKW precision locknut.
Types:
axial/radial roller bearings, for screw mounting: ZARF
axial/radial roller bearings, not for screw mounting: ZARN.
The bearings are available with and without fixing holes in the outer ring. Bearings with holes are screw mounted directly on the adjacent construction. The large contact surface and the small pitch of the holes allows a connection to the adjacent construction that is extremely rigid and with low tendency to settling. There is therefore no need for the bearing cover that would otherwise be required to hold the bearing, and the matching work required.
In the event that the axial abutment of the shaft locating washer is not sufficient or a seal raceway is required, bearings are available with a stepped shaft locating washer extended on one side.