Views: 3 Author: Site Editor Publish Time: 2021-06-14 Origin: Site
Insulated cylindrical roller bearings have the same structure as ordinary cylindrical roller bearings. The inner ring, outer ring, rollers and cages are made of brass, nylon, and pressed steel materials. The bearings of the two designs are designed in terms of speed and load. , Temperature, lubrication, etc. are all the same. Common insulated bearings are roughly divided into three types: the surface is coated with ceramics, the surface is coated with resin, and the rolling elements are made of ceramics. Surface coating ceramics has the widest range of applications. The first two coatings are plasma spraying methods to coat ceramic materials on the bearing surface, this coating still maintains its insulation performance in a humid environment; ceramic material rolling element insulated bearings, that is, the rolling elements use ceramic materials, which have excellent The current impedance capability.
Insulated cylindrical roller bearings are respectively coated on the outer ring, coated on the inner ring and using ceramic material rolling elements. Due to the higher cost of using ceramic material rolling elements, most of the inner or outer rings are made of ceramic with a thickness of 50-200 μm. Coating, these three methods can make the cylindrical roller bearing achieve the effect of insulation, so that the bearing will not be damaged by the current during operation, and can resist the electric flashover generated under the voltage of 1000V. The thicker coating can resist 1000V. Above high voltage discharge.

The process has been continuously improved. In insulated bearings, a layer of 100μm thick coating is provided on the outer ring or inner ring surface, which can withstand a voltage of up to 1000V DC. The special spraying process can form a layer of uniform thickness, strong and uniform coating, and then further processed to make it not affected by moisture and humidity.
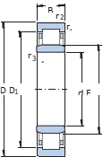
Normally Cylindrical roller bearings and electrically insulated bearings are available in a wide range of designs, series, variants and sizes. The main design differences are the number of roller rows and the inner/outer ring flanges as well as cage designs and materials.
Cylindrical Roller Bearings also have many different design as follows
--Single Row Cylindrical Roller Bearings
--Double Row Cylindrical Roller Bearings
--High Capacity Cylindrical Roller Bearings
--Single Row Full Complement Cylindrical Roller Bearings
--Double Row Full Complement Cylindrical Roller Bearings
Single row cylindrical roller bearings have NU, NJ, NUP, N, RNU type, as well as the complete single row cylindrical roller bearings, cylindrical roller bearing without outer ring etc. Cylindrical roller bearings are also available in sealed or split designs. In sealed bearings, the rollers are protected from contaminants, water and dust, while providing lubricant retention and contaminant exclusion. This provides lower friction and longer service life. Split bearings are intended primarily for bearing arrangements which are difficult to access, such as crank shafts, where they simplify maintenance and replacements.
| Designation | Principal dimensions | Basic load ratings | Fatique load limit | Speed ratings | Weight | ||||
| Cylindrical roller bearings | mm | mm | mm | dynamic | static | Reference speed | Limiting speed | kg | |
| d | D | B | C[kN] | C0[kN] | [r/min] | [r/min] | |||
| NU 1010 ECP/C3VL0241 | 50 | 80 | 16 | 46.8 | 56 | 6.7 | 9500 | 9500 | 0.27 |
| NU 210 ECM/C3VL0241 | 50 | 90 | 20 | 73.5 | 69.5 | 8.8 | 8500 | 9000 | 0.48 |
| NU 310 ECM/C3VL0241 | 50 | 110 | 27 | 127 | 112 | 15 | 6700 | 8000 | 1.36 |
| NU 1011 ECP/C3VL0241 | 55 | 90 | 18 | 57.2 | 69.5 | 8.3 | 8500 | 8500 | 0.4 |
| NU 1011 ECML/C3VL0241 | 55 | 90 | 18 | 57.2 | 69.5 | 8.3 | 8500 | 13000 | 0.4 |
| NU 211 ECM/C3VL0241 | 55 | 100 | 21 | 96.5 | 95 | 12.2 | 7500 | 8000 | 0.78 |
| NU 311 ECM/C3VL0241 | 55 | 120 | 29 | 156 | 143 | 18.6 | 6000 | 7000 | 1.75 |
| NU 1012 ML/C3VL0241 | 60 | 95 | 18 | 37.4 | 44 | 5.3 | 8000 | 13000 | 0.48 |
| NU 1012 ECP/C3VL0241 | 60 | 95 | 18 | 58.3 | 73.5 | 8.8 | 8000 | 8000 | 0.48 |
| NU 212 ECM/C3VL0241 | 60 | 110 | 22 | 108 | 102 | 13.4 | 6700 | 7500 | 0.1 |
| NU 312 ECM/C3VL0241 | 60 | 130 | 31 | 173 | 160 | 21.2 | 5600 | 6700 | 2.2 |
| NU 1013 ECP/C3VL0241 | 65 | 100 | 18 | 62.7 | 81.5 | 9.8 | 7500 | 7500 | 0.45 |
| NU 213 ECM/C3VL0241 | 65 | 120 | 23 | 122 | 118 | 15.6 | 6300 | 6700 | 1.3 |
| NU 313 ECM/C3VL0241 | 65 | 140 | 33 | 212 | 196 | 25.5 | 5300 | 6000 | 2.63 |
| NU 1014 ECM/C3VL0241 | 70 | 110 | 20 | 76.5 | 93 | 12 | 7000 | 7000 | 0.7 |
| NU 1014 ECP/C3VL0241 | 70 | 110 | 20 | 76.5 | 93 | 12 | 7000 | 7000 | 0.7 |
| NU 214 ECM/C3VL0241 | 70 | 125 | 24 | 137 | 137 | 18 | 6000 | 6300 | 1.4 |
| NU 314 ECM/C3VL0241 | 70 | 150 | 35 | 236 | 228 | 29 | 4800 | 5600 | 3.2 |
| NU 1015 M/C3VL0241 | 75 | 115 | 20 | 58.3 | 71 | 8.5 | 6700 | 6700 | 0.75 |
| NU 215 ECM/C3VL0241 | 75 | 130 | 25 | 150 | 156 | 20.4 | 5600 | 6000 | 1.5 |
| NU 315 ECM/C3VL0241 | 75 | 160 | 37 | 280 | 265 | 33.5 | 4500 | 5300 | 4 |
| NU 315 ECP/VL0241 | 75 | 160 | 37 | 280 | 265 | 33.5 | 4500 | 5300 | 4 |
| NU 1016 ECM/C3VL0241 | 80 | 125 | 22 | 99 | 127 | 16.3 | 6000 | 6000 | 1.05 |
| NU 216 ECM/C3VL0241 | 80 | 140 | 26 | 160 | 166 | 21.2 | 5300 | 5600 | 1.9 |
| NU 316 ECM/C3VL0241 | 80 | 170 | 39 | 300 | 290 | 36 | 4300 | 5000 | 4.6 |
| NU 1017 M/C3VL0241 | 85 | 130 | 22 | 68.2 | 86.5 | 10.8 | 6000 | 6000 | 1.1 |
| NU 217 ECM/C3VL0241 | 85 | 150 | 28 | 190 | 200 | 25 | 4800 | 5300 | 2.3 |
| NU 317 ECM/C3VL0241 | 85 | 180 | 41 | 340 | 335 | 41.5 | 4000 | 4800 | 5.4 |
| NU 1018 M/C3VL0241 | 90 | 140 | 24 | 80.9 | 104 | 12.7 | 5600 | 5600 | 1.4 |
| NU 218 ECM/C3VL0241 | 90 | 160 | 30 | 208 | 220 | 27 | 4500 | 5000 | 2.8 |
| NU 318 ECM/C3VL0241 | 90 | 190 | 43 | 365 | 360 | 43 | 3800 | 4500 | 6.3 |
| NU 1019 ML/C3VL0241 | 95 | 145 | 24 | 84.2 | 110 | 13.2 | 5300 | 5300 | 1.4 |
| NU 219 ECM/C3VL0241 | 95 | 170 | 32 | 255 | 265 | 32.5 | 4300 | 4800 | 2.9 |
| NU 319 ECM/C3VL0241 | 95 | 200 | 45 | 390 | 390 | 46.5 | 3600 | 4300 | 7.3 |
| NU 1020 M/C3VL0241 | 100 | 150 | 24 | 85.8 | 114 | 13.7 | 5000 | 5000 | 1.5 |
| NU 220 ECM/C3VL0241 | 100 | 180 | 34 | 285 | 305 | 36.5 | 4000 | 4500 | 4.05 |
| NU 320 ECM/C3VL0241 | 100 | 215 | 47 | 450 | 440 | 51 | 3200 | 3800 | 8.7 |
| NU 1022 M/C3VL0241 | 110 | 170 | 28 | 128 | 166 | 19.3 | 4500 | 4500 | 2.3 |
| NU 222 ECM/C3VL0241 | 110 | 200 | 38 | 335 | 365 | 42.5 | 3600 | 4000 | 5.7 |
| NU 322 ECM/C3VL0241 | 110 | 240 | 50 | 530 | 540 | 61 | 3000 | 3400 | 12 |
| NU 1024 M/C3VL2071 | 120 | 180 | 28 | 134 | 183 | 20.8 | 4000 | 4000 | 2.7 |
| NU 224 ECM/C3VL0241 | 120 | 215 | 40 | 390 | 430 | 49 | 3400 | 3600 | 6.7 |
| NU 324 ECM/C3VL0241 | 120 | 260 | 55 | 610 | 620 | 69.5 | 2800 | 3200 | 14.9 |
| NU 1026 M/C3VL2071 | 130 | 200 | 33 | 165 | 224 | 25 | 3800 | 3800 | 3.9 |
| NU 226 ECM/C3VL2071 | 130 | 230 | 40 | 415 | 455 | 51 | 3200 | 3400 | 7.7 |
| NU 326 ECM/C3VL2071 | 130 | 280 | 58 | 720 | 750 | 81.5 | 2400 | 3000 | 18.5 |
| NU 1028 M/C3VL2071 | 140 | 210 | 33 | 172 | 245 | 27 | 3600 | 3600 | 4.1 |
| NU 228 ECM/C3VL2071 | 140 | 250 | 42 | 450 | 510 | 57 | 2800 | 3200 | 9 |
| NU 328 ECM/C3VL2071 | 140 | 300 | 62 | 780 | 830 | 88 | 2400 | 2800 | 25.5 |
| NU 1030 M/C3VL2071 | 150 | 225 | 35 | 194 | 275 | 30 | 3200 | 3200 | 5 |
| NU 230 ECM/C3VL2071 | 150 | 270 | 45 | 510 | 600 | 64 | 2600 | 2800 | 12 |
| NU 330 ECM/C3VL2071 | 150 | 320 | 65 | 900 | 965 | 100 | 2200 | 2600 | 31.5 |
And different types of cylindrical roller bearings also have their different design according to their feather, and also many kinds of cages, just like Brass cage, Pressed Steel cage, nylon cage etc.

NU Series NJ Series NUP Series N series
The bearings can meet the challenges of applications faced with heavy radial loads and high speeds. Accommodating axial displacement (except for bearings with flanges on both the inner and outer rings), they offer high stiffness, low friction and long service life. Cylindrical roller bearings with up to three times longer service life than the previous EASIER standard, which is superior to all other conventional cylindrical roller bearings. The performance improvements of EASIER (China Bearing manufacturer) cylindrical roller bearings over the past 15 years have permitted downsizing, whilst still maintaining the required performance
Normal grid power supply has no high-frequency voltage and current components. Generally, insulated bearings are not used. Only high-voltage motors and large motors such as 400 and above are used. You can even use it. But now the variable frequency power supply, because the power quality contains a lot of high-frequency components, which causes the motor shaft current to increase, so this issue should be considered for specifications above 400, and even the smaller specifications should also consider installing insulation according to the usage conditions Bearings, such as the main motor used in electric vehicles and electric rail locomotives, are generally about 100KW, and insulated bearings must be used (or other insulation structures are used to ensure that the shaft current does not flow).